مبدأ العمل
لدى الصمام الثنائي القطب ثلاثة أقطاب : القاعدة، الباعث، و المجمع. و يتكون من ثلاثة طبقات من مواد شبه موصلة مرتبة على الشكل التالي
الباعث و المجمع هما عبارة عن مادتين شبه موصلتين من الصنف
–
القاعدة عبارة عن مادة شبه موصلة من الصنف
تفصل بينهما
–


يتم صناعة الطبقة
بإضافة بعض الشوائب إلى شبه موصل صاف مثل السيليكون أو الجيرمانيوم. تتكون الطبقة الخارجية للسلكون من 4 إلكترونات، ترتبط هذه الإلكترونات مع 4 إلكترونات من الطبقة الخارجية للفوسفور و التي تتكون من 5 إلكترونات، هذا التفاعل ينتج عنه إلكترونات أكثر من أجل التوصيل الكهربائي
على العكس من ذلك، الصنف
تكون لديه إلكترونات أقل من أجل التوصيل الكهربائي، هي إذن بحاجة إلى جهد كهربائي أعلى حتى يسمح شبه الموصل بمرور التيار
يعتمد مبدأ عمل الصمام الثنائي على هذه الخاصية حيث أنه بواسطة التحكم في متغيرات القاعدة يتم التحكم في مقدار التيار الذي يمر من المجمع إلى الباعث

استقطاب صمام ثنائي يعني تحديد المقاومة التي تكون معها
معلومة، بمعنى إنه إذا أردنا توترا محددا عند مخرج الصمام، فيمكن حساب
التي نحصل بها على ذلك التوتر

استعمالات و متغيرات
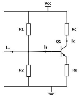
مضخم التيار الكهربائي



إذا اعتبرنا دالة موجية

و
مستقطب بحيث
مثلا

عندما تكون
أصغر من 0.7 لا يمر تيار عبر الصمام الثنائي
و عندما تصبح
أكبر من 0.7 فإن تيارا يمر عبر الصمام

يمكن تغيير المقاومة
للحصول على تيار آخر كما هو مبين أسفله


متغيرات
عند استخدام الصمام الثنائي من قبل المصممين يتم الرجوع إلى المتغيرات التالية أثناء عملية الاختيار
المواد المستخدمة
لكل مادة شبه موصلة خاصياتها المحددة، و عند الجمع بين مادتين في صمام ثنائي واحد تتغير خاصيات ذلك الصمام بتغير المواد المكونة له
مقدار الشوائب في كل طبقة
يتم التحكم بموصلية المادة بإضافة الشوائب أو إزالتها
الصنف
هناك صنفان من الصمامات الثنائية القطب
NPN
التيار يمر من
إلى
عبر
الأقل موصلية :
تتحكم في مقدار التيار
PNP
الطبقتان
و
أقل موصلية و تتحكمان في مقدار التيار
استهلاك الطاقة
توتر الاستعمال و طاقة جول المسربة تحدد الطاقة اللازمة لتشغيل الترانزستور
زمن التشغيل
قبل الوصول إلى الحالة المثالية للاستخدام، يمر الصمام الثنائي بفترة يتداخل فيها التيار القادم من القاعدة و التيار القادم من الباعث، يكون فيها التيار الخارج غير منتظم أو غير متوقع، تسمى هذه المدة بزمن التشغيل أو الفترة الانتقالية
المفردات التقنية و مرادفاتها بالإنجليزية
Base
القاعدة
Emitter
الباعث
Collector
المجمع
Transistor Polarisation
استقطاب صمام ثنائي
Current Amplifier
مضخم التيار الكهربائي
Response Time
زمن التشغيل