قبل استعمال الصمام الثنائي القطب (أو الترانزستور ثنائي القطب) تتم دراسة خصائصه في النظامين : المستقر و المتغير، النظام المستقر يعني غياب الإشارة القادمة، و النظام المتغير يعني مع وجود إشارة قادمة متغيرة
دراسة الترانزستور في النظام المستقر
عند دراسة الترانزستور في النظام المستقر يتم تحديد المتغيرات
،
،
و
عند غياب إشارة واردة
. من خلال تلك الدراسة يمكن نظم مبيان يحدد
بالنسبة ل
كما يلي

من خلال هذا المبيان يمكن استخراج خط الشحنة و نقطة التشغيل
خط الشحنة هو مجموع القيم التي يمكن أن تأخذها
و
عند
محددة
القيمة التي تأخذها
=
و
=
عند
=
تسمى نقطة التشغيل

تسمى المنطقة النشطة للترانزستور
<
< ![]()
عندما تكون
<
يتصرف الترانزستور المثالي كقاطع للتيار مغلق
عندما تكون
>
يتصرف الترانزستور المثالي كقاطع للتيار مفتوح
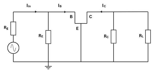
دراسة الترانزستور في النظام المتغير
النموذج الكهربائي في النظام المتغير


خط الشحنة في النظام المتغير

عند تطبيق إشارة متناوبة عند المدخل تتغير
حسب تغير الإشارة القادمة شرط أن تبقى قيمتها ضمن المنطقة النشطة
التوتر عند المخرج إذن
=
+![]()

نحصل بذلك على توتر أكثر استقرارا، و لا يتأثر بالتغيرات المفاجئة للإشارات القادمة
المفردات التقنية و مرادفاتها بالإنجليزية
Static System
النظام المستقر
Dynamic System
النظام المتغير
Input Signal
الإشارة القادمة
Load Line
خط الشحنة
Operating Point
نقطة التشغيل
Active Region
المنطقة النشطة